永汉网
Www.96pdf.Com
首页
说明书
维修资料
搜索
首页 >
维修资料
> 详情
2010 铃木GD110维修手册(英文)含扭矩数据 电路图
价格
18
本站全是:电子版
网上传送
96pdf资料站
宝贝描述
4.9 高
卖家服务
4.9 高
物流服务
4.9 高
在线咨询
微信:
工作时间:7:00-21:00
内容详情
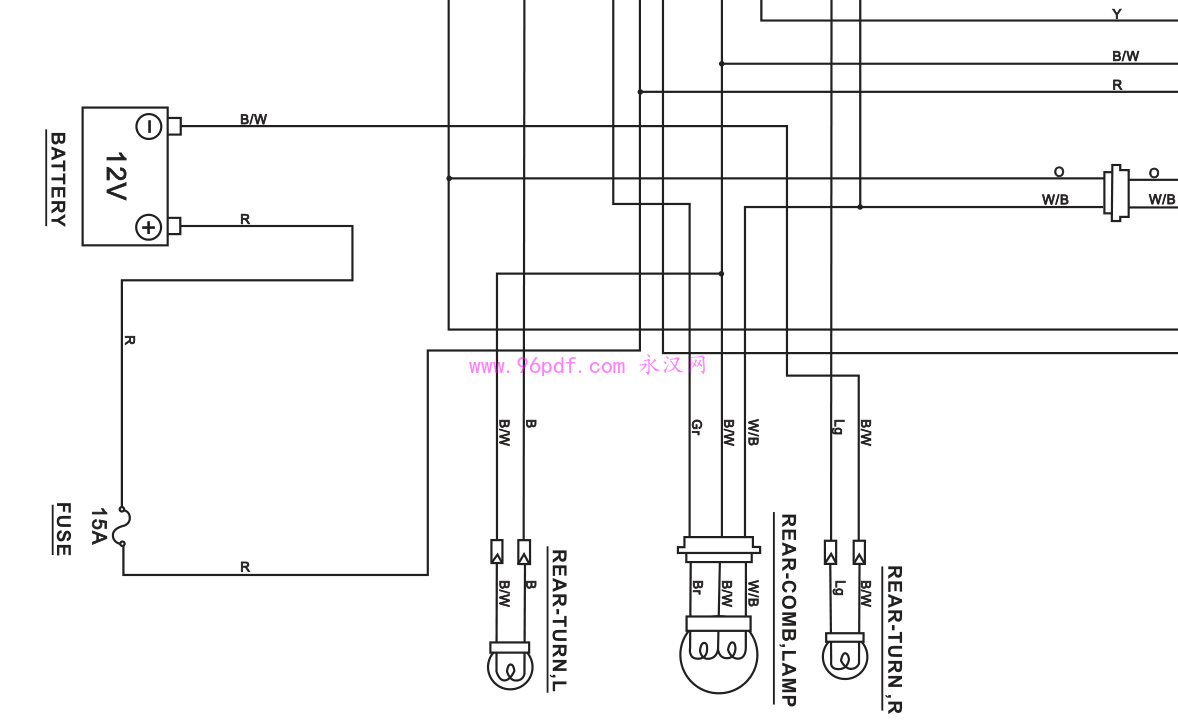
资料预览:
请看截图.
资料简介:
PDF格式 130多页 2010 英文的 原版 里面的文字可复制出来翻译的
一般信息
定期维护和
调整程序
发动机
电气系统
底盘
维修信息
前言
本文网址:
https://www.96pdf.com/b/45.html
欢迎分享本文,分享时请保留出处! Time :12-25
人气排行
1
2013-2010 英菲尼迪EX25 EX37使用说...
16
✦
2
2019 宝马R1250 GS Adventure使用手...
18
✦
3
2020 奔驰AMG GT 使用说明书(英文...
16
✦
4
2020-2018 奥迪Q2L使用手册 操作...
16
✦
5
Sony索尼STR-DE825/V818 电路图(英...
8
✦
6
2024 起亚EV5维修手册2023 纯电动...
19
✦
7
2012-2011 法拉利Sa Aperta 使用说...
18
✦
8
2025款 君越使用说明书 车主指...
18
✦
客服
购买方法介绍
店主微信
店主微信号
1