永汉网
Www.96pdf.Com
首页
说明书
维修资料
搜索
首页 >
维修资料
> 详情
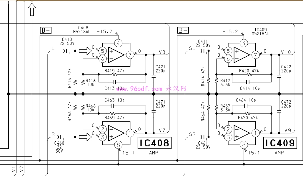
Sony索尼STR-DE825/V818 电路图(英文)维修手册
价格
8
本站全是:电子版
网上传送
96pdf资料站
宝贝描述
4.9 高
卖家服务
4.9 高
物流服务
4.9 高
在线咨询
微信:
工作时间:7:00-21:00
内容详情
资料预览:
请看截图.
资料简介:
PDF格式 v1.1 功放STR-DE825 原厂高清 图纸
本文网址:
https://www.96pdf.com/b/28.html
欢迎分享本文,分享时请保留出处! Time :12-02
人气排行
1
2012-2011 法拉利Sa Aperta 使用说...
18
✦
2
2023 起亚赛图斯 使用手册 Se...
18
✦
3
Sony索尼STR-DE825/V818 电路图(英...
8
✦
4
2023款 雷克萨斯RZ450e RZ300e使用...
23
✦
5
2020-2018 奥迪Q2L使用手册 操作...
16
✦
6
2025款 君越使用说明书 车主指...
18
✦
7
2013-2010 英菲尼迪EX25 EX37使用说...
16
✦
8
安桥onkyo TX-NR709 (B)/(S) 维修手...
10
✦
客服
购买方法介绍
店主微信
店主微信号
1